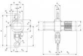
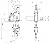
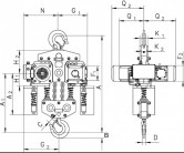
Wciągniki zakończone są hakiem górnym do mocowania w jednym punkcie konstrukcji nośnej. Produkowane są w dwóch wersjach różniących się układem cięgien. W układzie 1/1 jest jedno cięgno nośne, które jest jednocześnie cięgnem napędzanym, w układzie 2/1 są dwa cięgna nośne z których tylko jedno jest napędzane ( i odpowiednio w układach 3/1 i 4/1).
Udźwigi od 1600,0kg do 3000kg
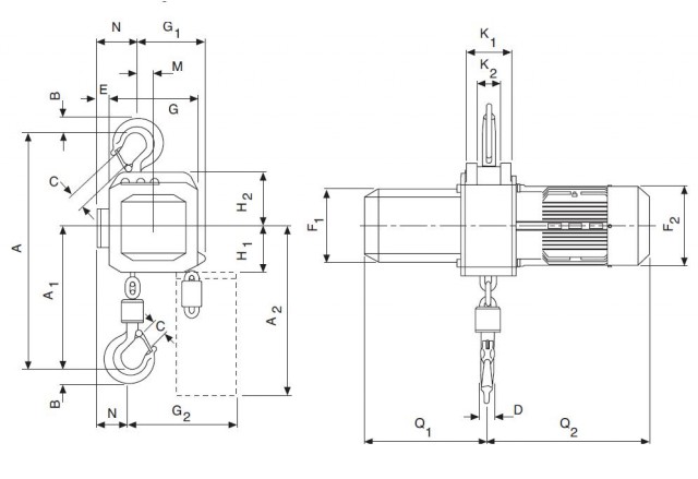
Wysokość podnoszenia (standard) Hp=3,0m
Napięcie zasilania Uz=400 V (3-fazy, 50 Hz )
Napięcie sterowania Us=42V
Stopień ochrony silników - IP55
Stopień ochrony kasety - IP65
Układ cięgien łańcucha - 1/1
GNP (Grupa natężenie pracy) - 1Am/M4
Maksymalna wysokośc podnoszenia HPmax = 25,0m
Łańcuch ogniwowy, ocynkowany (d x t) -11,0 x 31,0 mm
Maksymalna temperatura pracy - 50o C
Opcje wyposażenia:
- inna wysokość podnoszenia
- pojemnik na łańcuch
- sterowanie radiowe
- licznik godzin pracy
Charakterystyka techniczna
| Typ | Udźwig | GNP | Prędkość podnoszenia | Moc silnika podnoszenia | ED | Masa* | Maksymalna wysokość podnoszenia |
| Q | Vp | Pp | Hpmax | ||||
| kg | m/min | kW | kg | m | |||
| CPE 016-8 3,0m | 1,6 | 1Am/M4 | 8,0 | 2,3 | 40 | 88,0 | 25,0 |
| CPEF 016-8 3,0m | 1,6 | 1Am/M4 | 8,0/2,0 | 2,3/0,58 | 40/20 | 93,0 | 25,0 |
| CPE 020-8 3,0m | 2,0 | 1Bm/M3 | 8,0 | 2,8 | 25 | 88,0 | 25,0 |
| CPEF 020-8 3,0m | 2,0 | 1Bm/M3 | 8,0/2,0 | 2,8/0,7 | 25/15 | 93,0 | 25,0 |
| CPE 025-5 3,0m | 2,5 | 1Am/M4 | 5,0 | 2,3 | 40 | 88,0 | 25,0 |
| CPEF 025-5 3,0m | 2,5 | 1Am/M4 | 5,0/1,25 | 2,3/0,58 | 40/20 | 93,0 | 25,0 |
| CPE 030-5 3,0m | 3,0 | 1Bm/M3 | 5,0 | 2,8 | 25 | 88,0 | 25,0 |
| CPEF 030-5 3,0m | 3,0 | 1Bm/M3 | 5,0/1,25 | 2,8/0,7 | 25/15 | 93,0 | 25,0 |
Udźwigi od 3200,0kg do 5000kg
Wysokość podnoszenia (standard) Hp=3,0m
Napięcie zasilania Uz=400 V (3-fazy, 50 Hz )
Napięcie sterowania Us=42V
Stopień ochrony silników - IP55
Stopień ochrony kasety - IP65
Układ cięgien łańcucha - 2/1
GNP (Grupa natężenie pracy) - 1Am/M4
Maksymalna wysokośc podnoszenia HPmax = 13,0m
Łańcuch ogniwowy, ocynkowany (d x t) -11,0 x 31,0 mm
Maksymalna temperatura pracy - 50o C
Opcje wyposażenia:
- inna wysokość podnoszenia
- pojemnik na łańcuch
- sterowanie radiowe
- licznik godzin pracy
Charakterystyka techniczna
| Typ | Udźwig | GNP | Prędkość podnoszenia | Moc silnika podnoszenia | ED | Masa* | Maksymalna wysokość podnoszenia |
| Q | Vp | Pp | Hpmax | ||||
| kg | m/min | kW | kg | m | |||
| CPE 032-4 3,0m | 3,2 | 1Am/M4 | 4,0 | 2,3 | 40 | 107,0 | 13,0 |
| CPEF 032-4 3,0m | 3,2 | 1Am/M4 | 4,0/1,0 | 2,3/0,58 | 40/20 | 112,0 | 13,0 |
| CPE 040-4 3,0m | 4,0 | 1Bm/M3 | 4,0 | 2,8 | 25 | 107,0 | 13,0 |
| CPEF 040-4 3,0m | 4,0 | 1Bm/M3 | 4,0/1,0 | 2,8/0,7 | 25/15 | 112,0 | 13,0 |
| CPE 050-2 3,0m | 5,0 | 1Am/M4 | 2,5 | 2,3 | 40 | 107,0 | 13,0 |
| CPEF 050-2 3,0m | 5,0 | 1Am/M4 | 2,5/0,6 | 2,3/0,58 | 40/20 | 112,0 | 13,0 |
*)Masa dla standardowej wysokości podnoszenia Hp=3,0m
Udźwig 7500,0kg
Wysokość podnoszenia (standard) Hp=3,0m
Napięcie zasilania Uz=400 V (3-fazy, 50 Hz )
Napięcie sterowania Us=42V
Stopień ochrony silników - IP55
Stopień ochrony kasety - IP65
Układ cięgien łańcucha - 3/1
GNP (Grupa natężenie pracy) - 1Am/M4
Maksymalna wysokośc podnoszenia HPmax = 8,0m
Łańcuch ogniwowy, ocynkowany (d x t) -11,0 x 31,0 mm
Maksymalna temperatura pracy - 50o C
Opcje wyposażenia:
- inna wysokość podnoszenia
- pojemnik na łańcuch
- sterowanie radiowe
- licznik godzin pracy
Charakterystyka techniczna
| Typ | Udźwig | GNP | Prędkość podnoszenia | Moc silnika podnoszenia | ED | Masa* | Maksymalna wysokość podnoszenia |
| Q | Vp | Pp | Hpmax | ||||
| kg | m/min | kW | kg | m | |||
| CPE 075-1,6 3,0m | 7,5 | 1Am/M4 | 1,6 | 2,8 | 40 | 0,0 | 8,0 |
| CPEF 075-1,6 3,0m | 7,5 | 1Am/M4 | 1,6/0,4 | 2,8/0,58 | 40/20 | 0,0 | 8,0 |
*)Masa dla standardowej wysokości podnoszenia Hp=3,0m
Udźwig 10000,0kg
Wysokość podnoszenia (standard) Hp=3,0m
Napięcie zasilania Uz=400 V (3-fazy, 50 Hz )
Napięcie sterowania Us=42V
Stopień ochrony silników - IP55
Stopień ochrony kasety - IP65
Układ cięgien łańcucha - 4/1
GNP (Grupa natężenie pracy) - 1Am/M4
Maksymalna wysokośc podnoszenia HPmax = 5,0m
Łańcuch ogniwowy, ocynkowany (d x t) -11,0 x 31,0 mm
Maksymalna temperatura pracy - 50o C
Opcje wyposażenia:
- inna wysokość podnoszenia
- pojemnik na łańcuch
- sterowanie radiowe
- licznik godzin pracy
Charakterystyka techniczna
| Typ | Udźwig | GNP | Prędkość podnoszenia | Moc silnika podnoszenia | ED | Masa* | Maksymalna wysokość podnoszenia |
| Q | Vp | Pp | Hpmax | ||||
| kg | m/min | kW | kg | m | |||
| CPE 100-2 3,0m | 10,0 | 1Am/M4 | 2,5 | 2 x 2,3 | 40 | 283,0 | 5,0 |
| CPEF 100-2 3,0m | 10,0 | 1Am/M4 | 2,5/0,6 | 2 x 2,3/0,58 | 40/20 | 287,0 | 5,0 |
*)Masa dla standardowej wysokości podnoszenia Hp=3,0m





