Produkowane są w dwóch wersjach różniących się układem cięgien. W układzie 1/1 jest jedno cięgno nośne, które jest jednocześnie cięgnem napędzanym, w układzie 2/1 są dwa cięgna nośne z których tylko jedno jest napędzane.
Udźwigi od 250,0kg do 1000kg
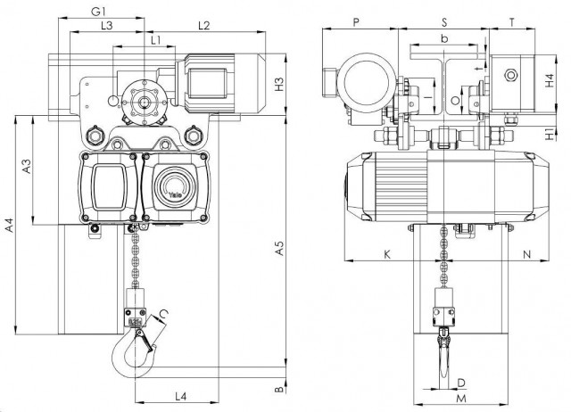
Wciągniki typu CPV i CPVF w wykonaniu VTE to wciągniki przejezdne z wózkiem jezdnym napędzanym elektrycznie.
Wysokość podnoszenia (standard) Hp=3,0m
Napięcie zasilania Uz=400 V (3-fazy, 50 Hz )
Napięcie sterowania Us=42V
Stopień ochrony silników - IP55
Stopień ochrony kasety - IP65
GNP (Grupa natężenie pracy) - 1Am/M4
Układ cięgien - 1/1
Maksymalna temperatura pracy - 40o C
Opcje wyposażenia:
- inna wysokość podnoszenia (maksymalną wysokość podnoszenia Hpmax podano w tabeli)
- pojemnik na łańcuch
- napięcie zasilania Uz=230 V
- sterowanie radiowe
- licznik godzin pracy
Charakterystyka techniczna
| Typ | Udźwig | Lańcuch nośny | Prędkość podnoszenia | Prędkość jazdy | Moc silnika podnoszenia | ED | Moc silnika jazdy | Minimalny promień jazdy | Zakres szerokości półki | Masa* | Maksymalna wysokość podnoszenia | |
| Q | d x t | Vp | Vj | Pp | Pj | bmin | bmax | Hpmax | ||||
| kg | mm | m/min | m/min | kW | kW | m | mm | kg | m | |||
| CPV 02-08 VTE18-A | 250,0 | 4,0x12,2 | 8,0 | 18,0 | 0,37 | 50 | 0,18 | 0,9 | 58,0 | 180,0 | 47,0 | 52,0 |
| CPVF 02-08 VTE18-A | 250,0 | 4,0x12,2 | 8,0/2,0 | 18,0 | 0,37/0,09 | 33/17 | 0,18/0,06 | 0,9 | 58,0 | 180,0 | 48,0 | 52,0 |
| CPV 02-20 VTE18-A | 250,0 | 5,0x15,1 | 20,0 | 18,0 | 0,75 | 50 | 0,18 | 0,9 | 58,0 | 180,0 | 49,0 | 40,0 |
| CPVF 02-20 VTE18-A | 250,0 | 5,0x15,1 | 20,0/5,0 | 18,0 | 0,75/0,18 | 33/17 | 0,18/0,06 | 0,9 | 58,0 | 180,0 | 50,0 | 40,0 |
| CPV 05-08 VTE18-A | 500,0 | 5,0x15,1 | 8,0 | 18,0 | 0,75 | 50 | 0,18 | 1,15 | 58,0 | 180,0 | 49,0 | 40,0 |
| CPVF 05-08 VTE18-A | 500,0 | 5,0x15,1 | 8,0/2,0 | 18,0 | 0,75/0,18 | 33/17 | 0,18/0,06 | 1,15 | 58,0 | 180,0 | 50,0 | 40,0 |
| CPV 05-20 VTE18-A | 500,0 | 7,1x20,5 | 20,0 | 18,0 | 1,5 | 50 | 0,18 | 1,15 | 58,0 | 180,0 | 84,0 | 18,0 |
| CPVF 05-20 VTE18-A | 500,0 | 7,1x20,5 | 20,0/5,0 | 18,0 | 1,5/0,37 | 33/17 | 0,18/0,06 | 1,15 | 58,0 | 180,0 | 85,0 | 18,0 |
| CPV 06-16 VTE18-A | 630,0 | 7,1x20,5 | 16,0 | 18,0 | 1,5 | 50 | 0,18 | 1,15 | 58,0 | 180,0 | 1,0 | 18,0 |
| CPVF 06-16 VTE18-A | 630,0 | 7,1x20,5 | 16,0/4,0 | 18,0 | 1,5/0,37 | 33/17 | 0,18/0,06 | 1,15 | 58,0 | 180,0 | 1,0 | 18,0 |
| CPV 10-08 VTE18-A | 1000,0 | 7,1x20,5 | 8,0 | 18,0 | 1,5 | 50 | 0,18 | 1,15 | 58,0 | 180,0 | 84,0 | 18,0 |
| CPVF 10-08 VTE18-A | 1000,0 | 7,1x20,5 | 8,0/2,0 | 18,0 | 1,5/0,37 | 33/17 | 0,18/0,06 | 1,15 | 58,0 | 180,0 | 85,0 | 18,0 |
| CPV 02-08 VTE18-B | 250,0 | 4,0x12,2 | 8,0 | 18,0 | 0,37 | 50 | 0,18 | 0,9 | 180,0 | 300,0 | 47,0 | 52,0 |
| CPVF 02-08 VTE18-B | 250,0 | 4,0x12,2 | 8,0/2,0 | 18,0 | 0,37/0,09 | 33/17 | 0,18/0,06 | 0,9 | 180,0 | 300,0 | 48,0 | 52,0 |
| CPV 02-20 VTE18-B | 250,0 | 5,0x15,1 | 20,0 | 18,0 | 0,75 | 50 | 0,18 | 0,9 | 180,0 | 300,0 | 49,0 | 40,0 |
| CPVF 02-20 VTE18-B | 250,0 | 5,0x15,1 | 20,0/5,0 | 18,0 | 0,75/0,18 | 33/17 | 0,18/0,06 | 0,9 | 180,0 | 300,0 | 50,0 | 40,0 |
| CPV 05-08 VTE18-B | 500,0 | 5,0x15,1 | 8,0 | 18,0 | 0,75 | 50 | 0,18 | 1,15 | 180,0 | 300,0 | 49,0 | 40,0 |
| CPVF 05-08 VTE18-B | 500,0 | 5,0x15,1 | 8,0/2,0 | 18,0 | 0,75/0,18 | 33/17 | 0,18/0,06 | 1,15 | 180,0 | 300,0 | 50,0 | 40,0 |
| CPV 05-20 VTE18-B | 500,0 | 7,1x20,5 | 20,0 | 18,0 | 1,5 | 50 | 0,18 | 1,15 | 180,0 | 300,0 | 84,0 | 18,0 |
| CPVF 05-20 VTE18-B | 500,0 | 7,1x20,5 | 20,0/5,0 | 18,0 | 1,5/0,37 | 33/17 | 0,18/0,06 | 1,15 | 180,0 | 300,0 | 85,0 | 18,0 |
| CPV 06-16 VTE18-B | 630,0 | 7,1x20,5 | 16,0 | 18,0 | 1,5 | 50 | 0,18 | 1,15 | 180,0 | 300,0 | 1,0 | 18,0 |
| CPVF 06-16 VTE18-B | 630,0 | 7,1x20,5 | 16,0/4,0 | 18,0 | 1,5/0,37 | 33/17 | 0,18/0,06 | 1,15 | 180,0 | 300,0 | 1,0 | 18,0 |
| CPV 10-08 VTE18-B | 1000,0 | 7,1x20,5 | 8,0 | 18,0 | 1,5 | 50 | 0,18 | 1,15 | 180,0 | 300,0 | 84,0 | 18,0 |
| CPVF 10-08 VTE18-B | 1000,0 | 7,1x20,5 | 8,0/2,0 | 18,0 | 1,5/0,37 | 33/17 | 0,18/0,06 | 1,15 | 180,0 | 300,0 | 85,0 | 18,0 |
| Typ | Udźwig | Lańcuch nośny | Prędkość podnoszenia | Prędkość jazdy | Moc silnika podnoszenia | ED | Moc silnika jazdy | Minimalny promień jazdy | Zakres szerokości półki | Masa* | Maksymalna wysokość podnoszenia | |
| Q | d x t | Vp | Vj | Pp | Pj | bmin | bmax | Hpmax | ||||
| kg | mm | m/min | m/min | kW | kW | m | mm | kg | m | |||
| CPV 02-08 VTEF18-A | 250,0 | 4,0x12,2 | 8,0 | 18,0/4,5 | 0,37 | 50 | 0,18 | 0,9 | 58,0 | 180,0 | 49,0 | 52,0 |
| CPVF 02-08 VTEF18-A | 250,0 | 4,0x12,2 | 8,0/2,0 | 18,0/4,5 | 0,37/0,09 | 33/17 | 0,18/0,06 | 0,9 | 58,0 | 180,0 | 50,0 | 52,0 |
| CPV 02-20 VTEF18-A | 250,0 | 5,0x15,1 | 20,0 | 18,0/4,5 | 0,75 | 50 | 0,18 | 0,9 | 58,0 | 180,0 | 51,0 | 40,0 |
| CPVF 02-20 VTEF18-A | 250,0 | 5,0x15,1 | 20,0/5,0 | 18,0/4,5 | 0,75/0,18 | 33/17 | 0,18/0,06 | 0,9 | 58,0 | 180,0 | 52,0 | 40,0 |
| CPV 05-08 VTEF18-A | 500,0 | 5,0x15,1 | 8,0 | 18,0/4,5 | 0,75 | 50 | 0,18 | 1,15 | 58,0 | 180,0 | 51,0 | 40,0 |
| CPVF 05-08 VTEF18-A | 500,0 | 5,0x15,1 | 8,0/2,0 | 18,0/4,5 | 0,75/0,18 | 33/17 | 0,18/0,06 | 1,15 | 58,0 | 180,0 | 52,0 | 40,0 |
| CPV 05-20 VTEF18-A | 500,0 | 7,1x20,5 | 20,0 | 18,0/4,5 | 1,5 | 50 | 0,18 | 1,15 | 58,0 | 180,0 | 86,0 | 18,0 |
| CPVF 05-20 VTEF18-A | 500,0 | 7,1x20,5 | 20,0/5,0 | 18,0/4,5 | 1,5/0,37 | 33/17 | 0,18/0,06 | 1,15 | 58,0 | 180,0 | 87,0 | 18,0 |
| CPV 06-16 VTEF18-A | 630,0 | 7,1x20,5 | 16,0 | 18,0/4,5 | 1,5 | 50 | 0,18 | 1,15 | 58,0 | 180,0 | 3,0 | 18,0 |
| CPVF 06-16 VTEF18-A | 630,0 | 7,1x20,5 | 16,0/4,0 | 18,0/4,5 | 1,5/0,37 | 33/17 | 0,18/0,06 | 1,15 | 58,0 | 180,0 | 3,0 | 18,0 |
| CPV 10-08 VTEF18-A | 1000,0 | 7,1x20,5 | 8,0 | 18,0/4,5 | 1,5 | 50 | 0,18 | 1,15 | 58,0 | 180,0 | 86,0 | 18,0 |
| CPVF 10-08 VTEF18-A | 1000,0 | 7,1x20,5 | 8,0/2,0 | 18,0/4,5 | 1,5/0,37 | 33/17 | 0,18/0,06 | 1,15 | 58,0 | 180,0 | 87,0 | 18,0 |
| CPV 02-08 VTEF18-B | 250,0 | 4,0x12,2 | 8,0 | 18,0/4,5 | 0,37 | 50 | 0,18 | 0,9 | 180,0 | 300,0 | 49,0 | 52,0 |
| CPVF 02-08 VTEF18-B | 250,0 | 4,0x12,2 | 8,0/2,0 | 18,0/4,5 | 0,37/0,09 | 33/17 | 0,18/0,06 | 0,9 | 180,0 | 300,0 | 50,0 | 52,0 |
| CPV 02-20 VTEF18-B | 250,0 | 5,0x15,1 | 20,0 | 18,0/4,5 | 0,75 | 50 | 0,18 | 0,9 | 180,0 | 300,0 | 51,0 | 40,0 |
| CPVF 02-20 VTEF18-B | 250,0 | 5,0x15,1 | 20,0/5,0 | 18,0/4,5 | 0,75/0,18 | 33/17 | 0,18/0,06 | 0,9 | 180,0 | 300,0 | 52,0 | 40,0 |
| CPV 05-08 VTEF18-B | 500,0 | 5,0x15,1 | 8,0 | 18,0/4,5 | 0,75 | 50 | 0,18 | 1,15 | 180,0 | 300,0 | 51,0 | 40,0 |
| CPVF 05-08 VTEF18-B | 500,0 | 5,0x15,1 | 8,0/2,0 | 18,0/4,5 | 0,75/0,18 | 33/17 | 0,18/0,06 | 1,15 | 180,0 | 300,0 | 52,0 | 40,0 |
| CPV 05-20 VTEF18-B | 500,0 | 7,1x20,5 | 20,0 | 18,0/4,5 | 1,5 | 50 | 0,18 | 1,15 | 180,0 | 300,0 | 86,0 | 18,0 |
| CPVF 05-20 VTEF18-B | 500,0 | 7,1x20,5 | 20,0/5,0 | 18,0/4,5 | 1,5/0,37 | 33/17 | 0,18/0,06 | 1,15 | 180,0 | 300,0 | 87,0 | 18,0 |
| CPV 06-16 VTEF18-B | 630,0 | 7,1x20,5 | 16,0 | 18,0/4,5 | 1,5 | 50 | 0,18 | 1,15 | 180,0 | 300,0 | 3,0 | 18,0 |
| CPVF 06-16 VTEF18-B | 630,0 | 7,1x20,5 | 16,0/4,0 | 18,0/4,5 | 1,5/0,37 | 33/17 | 0,18/0,06 | 1,15 | 180,0 | 300,0 | 3,0 | 18,0 |
| CPV 10-08 VTEF18-B | 1000,0 | 7,1x20,5 | 8,0 | 18,0/4,5 | 1,5 | 50 | 0,18 | 1,15 | 180,0 | 300,0 | 86,0 | 18,0 |
| CPVF 10-08 VTEF18-B | 1000,0 | 7,1x20,5 | 8,0/2,0 | 18,0/4,5 | 1,5/0,37 | 33/17 | 0,18/0,06 | 1,15 | 180,0 | 300,0 | 87,0 | 18,0 |
*)Masa dla standardowej wysokości podnoszenia Hp=3,0m
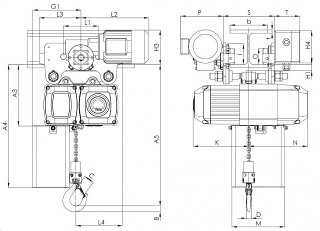
Udźwigi od 500,0kg do 2000,0kg
Wciągniki typu CPV i CPVF w wykonaniu VTE to wciągniki przejezdne z wózkiem jezdnym napędzanym elektrycznie.
Wysokość podnoszenia (standard) Hp=3,0m
Napięcie zasilania Uz=400 V (3-fazy, 50 Hz )
Napięcie sterowania Us=42V
Stopień ochrony silników - IP55
Stopień ochrony kasety - IP65
GNP (Grupa natężenie pracy) - 1Am/M4
Układ cięgien - 2/1
Maksymalna temperatura pracy - 40o C
Opcje wyposażenia:
- inna wysokość podnoszenia (maksymalną wysokość podnoszenia Hpmax podano w tabeli)
- pojemnik na łańcuch
- napięcie zasilania Uz=230 V
- sterowanie radiowe
- licznik godzin pracy
Charakterystyka techniczna
| Typ | Udźwig | Lańcuch nośny | Prędkość podnoszenia | Prędkość jazdy | Moc silnika podnoszenia | ED | Moc silnika jazdy | Minimalny promień jazdy | Zakres szerokości półki | Masa* | Maksymalna wysokość podnoszenia | |
| Q | d x t | Vp | Vj | Pp | Pj | bmin | bmax | Hpmax | ||||
| kg | mm | m/min | m/min | kW | kW | m | mm | kg | m | |||
| CPV 05-04 VTE18-A | 500,0 | 4,0x12,2 | 4,0 | 18,0 | 0,37 | 50 | 0,18 | 0,9 | 58,0 | 180,0 | 48,0 | 26,0 |
| CPVF 05-04 VTE18-A | 500,0 | 4,0x12,2 | 4,0/1,0 | 18,0 | 0,37/0,09 | 33/17 | 0,18/0,06 | 0,9 | 58,0 | 180,0 | 49,0 | 26,0 |
| CPV 10-04 VTE18-A | 1000,0 | 5,0x15,1 | 4,0 | 18,0 | 0,75 | 50 | 0,18 | 1,15 | 58,0 | 180,0 | 51,0 | 20,0 |
| CPVF 10-04 VTE18-A | 1000,0 | 5,0x15,1 | 4,0/1,0 | 18,0 | 0,75/0,18 | 33/17 | 0,18/0,06 | 1,15 | 58,0 | 180,0 | 52,0 | 20,0 |
| CPV 20-04 VTE18-A | 2000,0 | 7,1x20,5 | 4,0 | 18,0 | 1,5 | 50 | 0,18 | 1,15 | 58,0 | 180,0 | 89,0 | 9,0 |
| CPVF 20-04 VTE18-A | 2000,0 | 7,1x20,5 | 4,0/1,0 | 18,0 | 1,5/0,37 | 33/17 | 0,18/0,06 | 1,15 | 58,0 | 180,0 | 90,0 | 9,0 |
| CPV 05-04 VTE18-B | 500,0 | 4,0x12,2 | 4,0 | 18,0 | 0,37 | 50 | 0,18 | 0,9 | 180,0 | 300,0 | 48,0 | 26,0 |
| CPVF 05-04 VTE18-B | 500,0 | 4,0x12,2 | 4,0/1,0 | 18,0 | 0,37/0,09 | 33/17 | 0,18/0,06 | 0,9 | 180,0 | 300,0 | 49,0 | 26,0 |
| CPV 10-04 VTE18-B | 1000,0 | 5,0x15,1 | 4,0 | 18,0 | 0,75 | 50 | 0,18 | 1,15 | 180,0 | 300,0 | 51,0 | 20,0 |
| CPVF 10-04 VTE18-B | 1000,0 | 5,0x15,1 | 4,0/1,0 | 18,0 | 0,75/0,18 | 33/17 | 0,18/0,06 | 1,15 | 180,0 | 300,0 | 52,0 | 20,0 |
| CPV 20-04 VTE18-B | 2000,0 | 7,1x20,5 | 4,0 | 18,0 | 1,5 | 50 | 0,18 | 1,15 | 180,0 | 300,0 | 89,0 | 9,0 |
| CPVF 20-04 VTE18-B | 2000,0 | 7,1x20,5 | 4,0/1,0 | 18,0 | 1,5/0,37 | 33/17 | 0,18/0,06 | 1,15 | 180,0 | 300,0 | 90,0 | 9,0 |
| Typ | Udźwig | Lańcuch nośny | Prędkość podnoszenia | Prędkość jazdy | Moc silnika podnoszenia | ED | Moc silnika jazdy | Minimalny promień jazdy | Zakres szerokości półki | Masa* | Maksymalna wysokość podnoszenia | |
| Q | d x t | Vp | Vj | Pp | Pj | bmin | bmax | Hpmax | ||||
| kg | mm | m/min | m/min | kW | kW | m | mm | kg | m | |||
| CPV 05-04 VTEF18-A | 500,0 | 4,0x12,2 | 4,0 | 18,0/4,5 | 0,37 | 50 | 0,18 | 0,9 | 58,0 | 180,0 | 50,0 | 26,0 |
| CPVF 05-04 VTEF18-A | 500,0 | 4,0x12,2 | 4,0/1,0 | 18,0/4,5 | 0,37/0,09 | 33/17 | 0,18/0,06 | 0,9 | 58,0 | 180,0 | 51,0 | 26,0 |
| CPV 10-04 VTEF18-A | 1000,0 | 5,0x15,1 | 4,0 | 18,0/4,5 | 0,75 | 50 | 0,18 | 1,15 | 58,0 | 180,0 | 53,0 | 20,0 |
| CPVF 10-04 VTEF18-A | 1000,0 | 5,0x15,1 | 4,0/1,0 | 18,0/4,5 | 0,75/0,18 | 33/17 | 0,18/0,06 | 1,15 | 58,0 | 180,0 | 54,0 | 20,0 |
| CPV 20-04 VTEF18-A | 2000,0 | 7,1x20,5 | 4,0 | 18,0/4,5 | 1,5 | 50 | 0,18 | 1,15 | 58,0 | 180,0 | 91,0 | 9,0 |
| CPVF 20-04 VTEF18-A | 2000,0 | 7,1x20,5 | 4,0/1,0 | 18,0/4,5 | 1,5/0,37 | 33/17 | 0,18/0,06 | 1,15 | 58,0 | 180,0 | 92,0 | 9,0 |
| CPV 05-04 VTEF18-B | 500,0 | 4,0x12,2 | 4,0 | 18,0/4,5 | 0,37 | 50 | 0,18 | 0,9 | 180,0 | 300,0 | 50,0 | 26,0 |
| CPVF 05-04 VTEF18-B | 500,0 | 4,0x12,2 | 4,0/1,0 | 18,0/4,5 | 0,37/0,09 | 33/17 | 0,18/0,06 | 0,9 | 180,0 | 300,0 | 51,0 | 26,0 |
| CPV 10-04 VTEF18-B | 1000,0 | 5,0x15,1 | 4,0 | 18,0/4,5 | 0,75 | 50 | 0,18 | 1,15 | 180,0 | 300,0 | 53,0 | 20,0 |
| CPVF 10-04 VTEF18-B | 1000,0 | 5,0x15,1 | 4,0/1,0 | 18,0/4,5 | 0,75/0,18 | 33/17 | 0,18/0,06 | 1,15 | 180,0 | 300,0 | 54,0 | 20,0 |
| CPV 20-04 VTEF18-B | 2000,0 | 7,1x20,5 | 4,0 | 18,0/4,5 | 1,5 | 50 | 0,18 | 1,15 | 180,0 | 300,0 | 91,0 | 9,0 |
| CPVF 20-04 VTEF18-B | 2000,0 | 7,1x20,5 | 4,0/1,0 | 18,0/4,5 | 1,5/0,37 | 33/17 | 0,18/0,06 | 1,15 | 180,0 | 300,0 | 92,0 | 9,0 |
*)Masa dla standardowej wysokości podnoszenia Hp=3,0m



