Suwnice, żurawie i wciągniki
Suwnice
Żurawie
Żurawie słupowe
Żurawie przyścienne
Żurawie przejezdne
Wciągniki i wciągarki
Podnośniki
Wózki
Haki dźwignicowe
Zawiesia cięgnowe, uchwyty, trawersy, wagi
Liny stalowe
Osprzęt dźwignicowy
Systemy mocowania ładunków
Systemy zasilania i sterowania urzadzeń ruchomych
Narzędzia hydrauliczne
Usługi
Suwnice, wciągniki zawiesia - TRANSREM Sp. z o. o.

TRANSREM Sp. z o. o.
Suwnice · Wciągniki · Zawiesia

Firma
Oferta handlowa
Zamów Katalog
Partnerzy
Kontakt
Aktualności
Mapa strony
Oferta handlowa »Suwnice, żurawie i wciągniki »Żurawie »Żurawie przejezdne
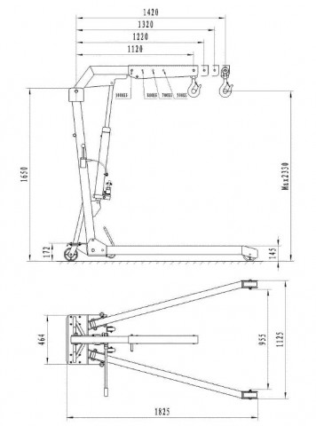
Żurawie przewoźne z napędem ręcznym, hydraulicznym stanowią podstawowe wyposażenie warsztatów remontowych. Pozwalają na łatwy i szybki demontaż i montaż cześci maszyn i urządzeń.
Żurawie typu WSC
Żurawie typu WSC
Żurawie typu WSC

Udźwigi 0,5t i 1,0t


 


 

Charakterystyka techniczna

Typ Nr katalogowy Udźwig Masa


kg kg
WSC 0,5 01303.081085 500,0 125,0
WSC 1,0 01303.080668 1000,0 125,0



PODEM - wciągniki, wciągarki i wyposażenie suwnic PODEM - wciągniki, wciągarki i wyposażenie suwnic

Zapraszamy do odwiedzenia nowej strony internetowej Podem.pl na której prezentujemy bogatą ofertę urządzeń dźwignicowych PODEM, m.in.: wciągniki linowe i wciągniki łańcuchowe, wciągarki, czołownice, zasilanie elektryczne, zdalne sterowanie radiowe, motoreduktory.

Certyfikat QMS EMS BHP
Polityka jakości Transrem Sp.z o. o.
  • Suwnice
  • Suwnice pomostowe
  • Suwnice bramowe i półbramowe
  • Suwnice wspornikowe (konsolowe)
  • Lekkie suwnice podwieszane (System HB)
  • Wciągniki i wciągarki
  • Zawiesia cięgnowe
  • Zawiesia łańcuchowe
  • Zawiesia linowe
Firma  | Oferta handlowa  | Zamów Katalog  | Partnerzy  | Kontakt  | Aktualności  | Mapa strony
Copyright 2008-2011
TRANSREM Sp. z o. o..